Home  |  Partner  |  Corporate  |  Honor  |  Solution  |  News
4dhcpmingchen

【Origin Pic】
[Next] 

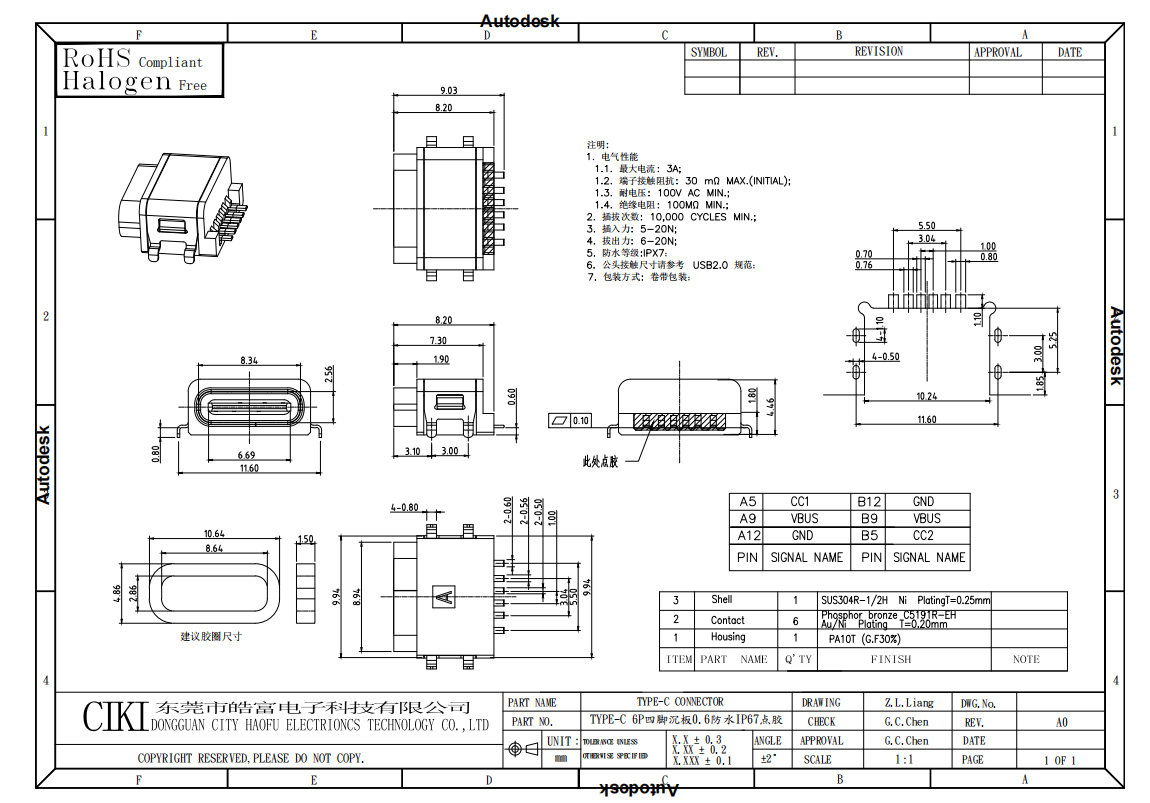
TYPE-C 6P Four Leg Sink Plate

Haofu ElectronicsFocused on switch/socket/connector manufacturers

Service Hotline: +86 4000-220-595 Address:

Building D, Fuhui Chuangyuan Industrial Park, Dongjiang Road, Huangjiang Town, Dongguan City